Direktna povezava
Naslov
Glavni meni
Vsebina
Noga
Ponudba za podjetja
Ponudba za fizične stranke
Conrad
Če želite iskati izdelek, vnesite besedno zvezo, številko članka, EAN ali številko dela
Moj račun
Prijava / Registracija
Košarica
Naši izdelki
Razprodaja - preverite najboljše cene!
Razprodaja - preverite najboljše cene!
Blagovne znamke
Priporočene znamke
Blagovne znamke A - Ž
Storitve
Naše storitve
Vse storitve za podjetja
Ponudba
Naša ponudba
Naši izdelki
Moj račun
Zaznamki
Odjava
Conrad
Poudarki in podrobnosti
Tehnične specifikacije
Dokumenti in prenosi
Opis
Pogosto kupljeno skupaj
Dodatki
ocene
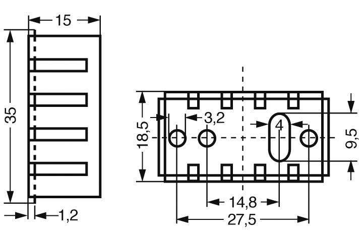
Fischer Elektronik 10037014 ICK 35 SA hladilnik 20 K/W (D x Š x V) 35 x 18.5 x 15 mm SOT-32, TO-220
Ean:
2050000072758
Kopirano
Koda proizvajalca:
10037014
Kopirano
Št. izdelka:
188280
Kopirano
Prenosi